售前:17276494626
售后:400-806-5128
产品介绍:
LSOG系列臭氧反应罐罐体采用具有高强防腐性能,抗臭氧,氯离子双重腐蚀的316 L不锈钢材料制作,设计选型完全满足C.T值=1.6的要求,承压O.6Mpa.内部采用先进布水系统和回流隔板设计,确保臭氧充分溶解、接触反应,无短流、传质系数大使臭氧和池水有充分空间和充分时间.顶部设有自动排气阀,将反应剩余的臭氧送至残余臭氧消除器还原成O.后安全排入外界大气.罐体设有人孔,方便检修.
侧出式玻璃纤维石英砂过滤器
顶出式玻璃纤维石英砂过滤器
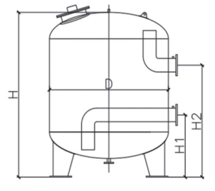
侧出式石英砂过滤罐
Copyright©2020 LASWIM(威浪仕).All right reserved
技术支持: